Иуекинг Фаце Елецтриц Цо., Лтд.
Иуекинг Фаце Елецтриц Цо., Лтд.
Производи
Релеј за закључавање једнофазног мерача тастатуре
  • Релеј за закључавање једнофазног мерача тастатуреРелеј за закључавање једнофазног мерача тастатуре
  • Релеј за закључавање једнофазног мерача тастатуреРелеј за закључавање једнофазног мерача тастатуре
  • Релеј за закључавање једнофазног мерача тастатуреРелеј за закључавање једнофазног мерача тастатуре
  • Релеј за закључавање једнофазног мерача тастатуреРелеј за закључавање једнофазног мерача тастатуре

Релеј за закључавање једнофазног мерача тастатуре

Релеј за закључавање једнофазног мерача тастатуре је дизајниран за једнофазне системе за мерење снаге. Доступан је у верзијама од 100А и 80А са флексибилним опсегом отпора узорковања (125Ω до 250Ω). Релеј има ефикасне и поуздане перформансе и широко се користи у паметним бројилима и системима за управљање напајањем.

Модел:Монофазни релеј са магнетним закључавањем мерача тастатуре

Називна струја:100А / 80А (опционо)

Опсег отпора узорковања:125Ω до 250Ω (опционо)

Опсег радне температуре:-40°Ц до +85°Ц

Тежина:Лаган дизајн, једноставан за транспорт и инсталацију.

Једнофазни релеј за закључавање мерача тастатуре постао је идеално решење за праћење снаге са својим ефикасним перформансама и флексибилним опцијама конфигурације. Било да се ради о кућној примени или индустријској потражњи, овај производ може пружити тачне и поуздане услуге и побољшати интелигентни ниво управљања напајањем.

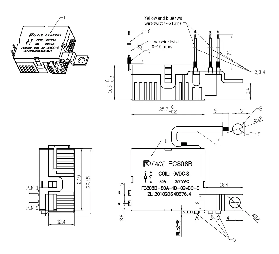
ФЦ808Б-1Б-9ВДЦ-80А

(СПЕЦИФИКАЦИЈА КАЛУТА) 20℃

ВОЛТАГЕ
(ВДЦ)
ОТПОР КАЛУТА
(К)±10%
Снага завојнице (В) ОПЕРАТИНГ
НАПОН (ВДЦ)
РЕЛЕАСИНГ
ВОЛТАГЕ
(ВДЦ)
ДОЗВОЉАВАЊЕ НАПОНА
(ВДЦ)
Сингле ДОУБЛЕ Сингле ДОУБЛЕ
81.0  40,5/40,5 1.00  2.00  ≤6.3 ≤6.3 48 
12  144.0  72/72 ≤8.4 ≤8.4 60 
24  576.0  288/288 ≤16.8 ≤16.8 120 

(СПЕЦИФИКАЦИЈА КОНТАКТА)

(КОНТАКТ ОБРАЗАЦ)
(МАТЕРИЈАЛ ЗА КОНТАКТ) (ЛЕГУРА СРЕБРА)
(ПАД НАПОНА КОНТАКТА 10А) Мак.15мВ
(ОЦЕНА КОНТАКА) 80А  250ВАЦ
(МАКС. ПРЕКИДНИ НАПОН) 250ВАЦ
(МАКС. СТРУЈА УКЉУЧИВАЊА) 80А
(МАКС. СНАГА УКЉУЧИВАЊА) 20000ВА
(ВЕК РАДА) (МЕХАНИЧКИ) 5×10⁵ОПС
(ЕЛЕКТРИЧНИ) 1×10⁴ОПС

(КАРАКТЕРИСТИКЕ )

(ВРЕМЕ РАДА) 20 мс макс
(ВРЕМЕ ИЗЛАЗАЊА) 20 мс  Макс
(ДИЕЛЕКТРИЧНА Чврстоћа)  (50/60 Хз, 1 мин)
(КОНТАКТ И КОИЛ) 6000ВАЦ
(КОНТАКТ & КОНТАКТ) 1500ВАЦ
(ФИЕЛД&ФИЕЛД)
(ОТПОР ИЗОЛАЦИЈЕ,500ВДЦ) 1000МК Мин.
(ТЕЖИНА) 38г
(УКУПНА ДИМЕНЗИЈА) (на цртежу)

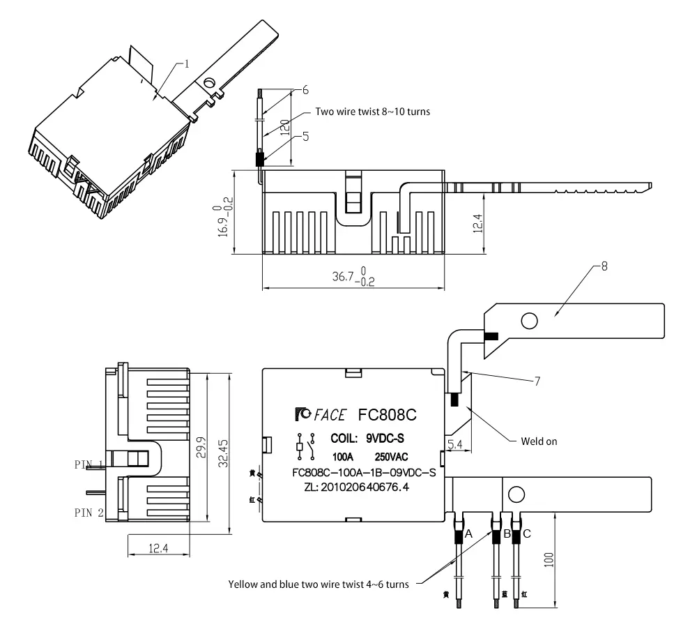
ФЦ808Ц-1Б-9ВДЦ-С-100А

(СПЕЦИФИКАЦИЈА КАЛУТА) 20℃

ВОЛТАГЕ
(ВДЦ)
 ОТПОР КАЛУТА
      (К)±10%
Снага завојнице (В) ОПЕРАТИНГ
НАПОН (ВДЦ)
(ВДЦ) ДОЗВОЉАВАЊЕ НАПОНА
(ВДЦ)
Сингле ДОУБЛЕ Сингле ДОУБЛЕ
81.0  40,5/40,5 1.00  2.00  ≤6.3 ≤6.3 48 
12  144.0  72/72 ≤8.4 ≤8.4 60 
24  576.0  288/288 ≤16.8 ≤16.8 120 

(СПЕЦИФИКАЦИЈА КОНТАКТА)

(КОНТАКТ ОБРАЗАЦ)
(МАТЕРИЈАЛ ЗА КОНТАКТ) (ЛЕГУРА СРЕБРА)
(ПАД НАПОНА КОНТАКТА 10А) Мак.15мВ
(ОЦЕНА КОНТАКТА) 100А   250ВАЦ
(МАКС. ПРЕКИДНИ НАПОН) 250ВАЦ
(МАКС. СТРУЈА УКЉУЧИВАЊА) 100А
(МАКС. СНАГА УКЉУЧИВАЊА) 25000ВА
(ВЕК РАДА) (МЕХАНИЧКИ) 5×10⁵ОПС
(ЕЛЕКТРИЧНИ) 1×10⁴ОПС

(КАРАКТЕРИСТИКЕ )

(ВРЕМЕ РАДА) 20 мс макс
(ВРЕМЕ ИЗЛАЗАЊА) 20 мс макс
(ДИЕЛЕКТРИЧНА Чврстоћа) (50/60 Хз, 1 мин)
(ЦОНТАЦТ&ЦОИЛ) 6000ВАЦ
(КОНТАКТ&КОНТАКТ) 1500ВАЦ
(ФИЕЛД&ФИЕЛД)
(ОТПОР ИЗОЛАЦИЈЕ,500ВДЦ) 1000МК Мин.
(ТЕЖИНА) 40г
(УКУПНА ДИМЕНЗИЈА) (на цртежу)

Хот Тагс: Релеј за закључавање једнофазног мерача тастатуре
Пошаљи упит
Контакт информације
  • Адреса

    бр.6, Јиеда Роад, Лиусхи Товн, Иуекинг Цити, Вензхоу Цити, Зхејианг Провинце, Кина

  • Е-маил

    lydia@face-relay.com

Добродошли на нашу веб страницу! За упите о нашим производима или ценовнику, оставите нам своју е-пошту и ми ћемо вас контактирати у року од 24 сата.
X
Користимо колачиће да бисмо вам понудили боље искуство прегледања, анализирали саобраћај на сајту и персонализовали садржај. Коришћењем овог сајта прихватате нашу употребу колачића. Политика приватности
Одбити Прихвати